Inilah Cara Membaca Mikrometer Sekrup

JAKARTA, iNews.id - Mikrometer sekrup adalah alat yang digunakan untuk mengukur ukuran suatu benda dalam ketelitian yang tinggi, dengan ketelitian hingga 0,01 mm.
Alat ini biasanya digunakan dalam industri manufaktur, mesin, dan teknik.
Bisa dibilang, mikrometer sekrup memiliki fungsi yang sama dengan jangka sorong.
Namun dua alat ukur ini memiliki perbedaan dimana mikrometer sekrup memiliki tingkat ketelitian 10 kali lebih tinggi.
Mikrometer merupakan alat untuk mengukur jarak yang amat-amat kecil yang digunakan bersama dengan teleskop atau mikroskop.
Bisa dikatakan, mikrometer sekrup adalah salah satu jenis mikrometer yang bisa dimanfaatkan sebagai alat ukur.
Mikrometer sekrup memiliki berbagai jenis yang bisa Anda gunakan sesuai kebutuhan. Berikut ini penjelasan jenis mikrometer sekrup yang bisa dijadikan referensi.
Mikrometer jenis ini cukup sering digunakan dan memiliki harga yang lebih teragaku dari jenis lainnya.
Ada dua skala pada mikrometer ini yaitu skala utama dan nonius.
Penggunaannya sendiri masih dilakukan secara manual dari petunjuk pengukuran yang ditulis pada alat.
Berbeda dengan versi manual, dengan menggunakan alat ini, Anda bisa melihat langsung hasil pengukuran di layar tanpa harus menghitungnya secara manual.
Dengan demikian, Anda bisa meminimalisir risiko salah baca atau hitung.
Mikrometer ini bisa digunakan untuk mengukur diameter luar suatu benda kerja seperti kawat, lapisan benda, atau blok-blok benda.
Mikrometer ini biasanya digunakan untuk mengukur diameter suatu lubang benda seperti diameter dalam suatu pipa.
Mikrometer ini sering digunakan untuk mengukur kedalaman dan ketinggian suatu benda. Lantas apa bedanya dengan mikrometer sekrup dalam.
Perbedaannya adalah mikrometer jenis ini dapat digunakan mengukur kedalaman suatu lubanga sementara mikrmoter hanya bisa digunakan untuk mengukur diameter benda saja.
Pastikan mikrometer sekrup dalam keadaan bersih dan tidak tergores. Pastikan juga benda yang akan diukur dalam keadaan bersih dan rata.
Tarik rahang bawah mikrometer sekrup dengan menggunakan dongkrak, kemudian letakkan benda yang akan diukur di antara rahang bawah dan rahang atas.
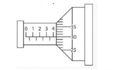
Skala utama terletak pada bagian luar tabung mikrometer sekrup dan terdiri dari garis-garis vertikal dan angka-angka yang menunjukkan setiap 1 mm.
Carilah garis yang sejajar dengan garis referensi pada benda yang akan diukur, kemudian catat angka di sisi kiri garis tersebut.
Skala nonius terletak pada bagian dalam tabung mikrometer sekrup dan terdiri dari garis-garis vertikal dan angka-angka yang menunjukkan setiap 0,1 mm.
Pada skala nonius, garis-garis vertikal diberi tanda dengan angka 0 hingga 9. Temukan garis vertikal pada skala nonius yang sejajar dengan garis referensi pada benda yang akan diukur. Catat angka pada skala nonius yang paling dekat dengan garis referensi pada skala utama.
Hitung hasil pengukuran dengan menjumlahkan angka pada skala utama dan skala nonius.
Perhatikan posisi desimal pada angka pada skala nonius dan sesuaikan dengan ketelitian yang diinginkan.
Misalnya, jika angka pada skala nonius adalah 3, maka hasil pengukuran harus dianggap sebagai 0,03 mm.
Contoh: Jika angka pada skala utama adalah 4, dan pada skala nonius adalah 4, maka hasil pengukuran adalah 4,04 mm.